漿液閥
本公司生產的新型手動、電液動漿液閥是在吸收和消化國內外先進閥體技術基礎上對閥體結構、密封形式、驅動裝置及電氣控制方面作了進一步更新。產品結構簡單、體積小、重量輕、流阻小、介質不易在閥體內沉淀,以及安裝方便等諸多優點,同時具備手動、電液動操作功能。電氣控制:行程開關控制、位置顯示儀控制,實現了機、電、液、儀一體化等多功能體系。
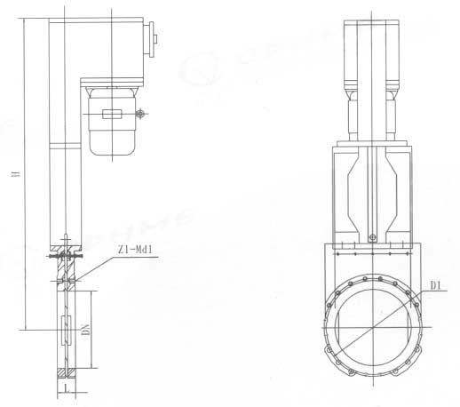
結構形式及特征
a、閥體結構形式及密封方式
我公司新研制的漿液閥分對夾式和整體式,對夾式閥體密封采用復合材料配置的“U”型和“T”型復合結構。整體式閥體密封采用“O”型復合密封圈結構,克服了原對夾式漿液閥采用“U”型密封墊受力后易移位和變形,介質外泄等缺點。閘板采用刀形結構,解決了灰漿沉淀密封槽內,閥門關閉不嚴,外泄漏等問題。
b、驅動裝置分手動操作和電液動操作兩種
手動裝置:操作簡單,適用于力矩較小閥門。
電液動裝置:適用于力矩較大,力和速度可調,可任意任置鎖定的閥門裝置。
適用介質:
采礦、鋼鐵工業——用于煤漿、濾碴漿等。
凈化裝置——用于廢水、泥漿、污物及帶有懸浮物的澄清水。
造紙工業——用于任何濃度紙漿、料水混合物。
制糖工業——用于甜菜洗滌、糖漿、榨汁、果汁等。
食品工業——用于洗滌和沖洗設備,糧食輸送設備,麥芽漿等。
電站除灰——用于灰渣漿。
技術參數
型號 |
Z□73□-6 Z□73□-10 Z□73□-16 |
介質公稱壓力 |
0.6MPa 1.0MPa 1.6MPa |
介質工作溫度 |
-20~28℃ |
材料 |
閥體:灰鑄鐵、球墨鑄鐵;閘板及閥桿;不銹鋼 |
手動漿液閥外型及連接尺寸


電液動漿液閥外型及連接尺寸
